Honda Civic 5D Поиск неисправностей в цепи «MIL» (L13A) Ремонт авто своими руками, расходники, схемы, фото и видео

Как идентифицировать коды DTC

1. При выключенном зажигании подсоедините диагностическую систему HDS к 16Р разъему информационной связи (DLC), расположенному под панелью управления со стороны водителя.
2. Включите зажигание, повернув ключ в положение ON (II).
3. Убедитесь, что система HDS соединена с автомобилем и с блоком управления-модулятора VSA. Если нет, осуществите поиск неисправностей в цепи DLC: Модель двигателя L13A7, модель двигателя R18A2.
4. Следуйте указаниям HDS, чтобы вывести коды DTC на дисплей. После определения значения кода DTC, обратитесь к таблице поиска неисправности по коду DTC.
5. Поверните ключ зажигания в положение «OFF».

Как использовать систему HDS (диагностическую систему Honda)

1.

Если системные индикаторы продолжают гореть, подсоедините диагностическую систему HDS к разъему информационной связи (DLC) (A), расположенному под панелью управления со стороны водителя.

A

2. Включите зажигание, повернув ключ в положение «ON» (II).
3. Убедитесь, что система HDS соединена с автомобилем и с блоком управления-модулятора ABS. Если нет, осуществите поиск неисправностей в цепи DLC: Модель двигателя R18A1, Модель двигателя K20Z2.
4. Проверьте наличие диагностического кода неисправности (DTC) и при его наличии запишите его. Также проверьте данные бортовой функции snapshot и загрузите любые найденные данные. Затем обратитесь к кодам DTC и начните соответствующую процедуру по поиску неисправностей.ПРИМЕЧАНИЕ:
  • Соединение HDS будет прервано, если скорость автомобиля 50 км/ч или более.
  • Система HDS может считывать коды DTC, фиксированные данные и другие системные данные.
  • Для специальных операций см. меню помощи, которое прилагается к диагностической системе HDS.

Как определить неисправность по коду DTC

1.
Расспросите клиента, при каких условиях проявилась неисправность, и при поиске неисправности попытайтесь воспроизвести те же самые условия

Обратите внимание, при каких условиях загорался визуальный сигнализатор неисправности ABS или системы VSA: во время работы, после работы системы, при определенной скорости автомобиля и так далее.

2. Если во время движения автомобиля индикаторы неисправности ABS и тормозной системы не загораются, но в памяти находится код неисправности ABS, то следует проверить состояние электрических разъемов и их крепление перед началом поиска неисправностей системы.
3. После поиска неисправностей или после ремонта, очистите коды DTC, и проведите проверочную поездку в тех же условиях, при которых появились DTC. Индикаторы неисправности ABS и системы VSA не должны загораться.
4. Проверте другой блок DTC, который подсоединен при помощи F-CAN:если там присутствуют коды DTC, связанные с F-CAN, причина ,скорее всего, в том, что ключ зажигания был повернут в положение ON (II) при отключенном блоке управления VSA. Удалите информацию о кодах DTC из памяти компьютера. Проверьте PGM-FI и код VSA и, в первую очередь, проведите поиск неисправностей.

Проверка линии связи

  • Ошибка 1: Неисправность мультиплексной линии F-CAN
  • Ошибка 2: Неисправность мультиплексной линии В-CAN
  • Ошибка 3: Ошибка линий связи UART
Список кодов ошибок
Код ошибки  Тип ошибки линии(й) передачи сигналов 
Ошибка 1  Передача сигналов F-CAN 
Ошибка 2  Передача сигналов B-CAN 
Ошибка 3  Передача сигналов UART 
Ошибка 12  Передача сигналов F-CAN и B-CAN 
Ошибка 13  Передача сигналов F-CAN и UART 
Ошибка 23  Передача сигналов В-CAN и UART 
Ошибка 123  Передача сигналов F-CAN, B-CAN и UART  

Пример индикации 

Нормально (»· · ·» показывает):Неисправен (ошибка 1):Неисправен (ошибка 13):Неисправен (ошибка 123):

  • Если на дисплее появляется сообщение ‘‘Error 1″ (ошибка 1), обнаружена неисправность в линии связи между модулем управления панелью приборов (тахометр) и быстрой мультиплексной сетью F-CAN. Проверьте коды DTC в блоке ECM, при их наличии осуществите поиск неисправностей. Если не обнаружены коды DTC, переходите к указанному поиску неисправностей.
  • Если на дисплее появляется сообщение ‘‘Error 2″ (ошибка 2), обнаружена неисправность в линии связи между модулем управления панелью приборов (тахометр) и мультиплексной сетью салона (В-CAN). Перейдите к указанному поиску неисправностей (с B1155 до B1160).
  • Если на дисплее появляется сообщение ‘‘Error 3″ (ошибка 3), обнаружена неисправность в линии связи UART между модулем управления панелью приборов (тахометр) и модулем управления панелью приборов (спидометр). Перейдите к тесту входных сигналов модуля управления приборами (тахометр) и проверьте клемму A20. Если жгут проводов исправен, замените на заведомо исправный модуль управления приборной панелью (спидометр) и перепроверьте.

Как идентифицировать коды DTC

1. При выключенном зажигании подсоедините диагностическую систему HDS к 16Р разъему информационной связи (DLC), расположенному под панелью управления со стороны водителя.
2. Включите зажигание, повернув ключ в положение «ON» (II).
3. Убедитесь, что система HDS соединена с автомобилем и с блоком управления-модулятора ABS. Если нет, осуществите поиск неисправностей в цепи DLC: Модель двигателя R18A1, Модель двигателя K20Z2.
4. Следуйте указаниям HDS, чтобы вывести коды DTC на дисплей. После определения значения кода DTC, обратитесь к таблице поиска неисправности по коду DTC.
5. Поверните ключ зажигания в положение «OFF».

Как определить неисправность по коду DTC

1. Расспросите клиента, при каких условиях проявилась неисправность, и при поиске неисправности попытайтесь воспроизвести те же самые условия. Определите, в какой момент загорается сигнализатор ABS: во время проверки, после проверки, при движении автомобиля с определенной скоростью и т.д.
2. Если во время движения автомобиля индикаторы неисправности ABS и тормозной системы не загораются, но в памяти находится код неисправности DTC, то следует проверить состояние электрических разъемов и их крепление перед началом поиска неисправностей системы.
3. После поиска неисправностей, или после ремонта, очистите коды DTC, и проведите проверочную поездку в тех же условиях, при которых появились DTC. Убедитесь, что индикатор ABS не загорается.
4. Проверте другой блок DTC, который подсоединен при помощи F-CAN: если там присутствуют коды DTC связанные с F-CAN, причина, скорее всего, в том, что ключ зажигания был повернут в положение ON (II) при отключенном блоке управления модулятора ABS. Удалите информацию о кодах DTC из памяти компьютера. Проверьте PGM-FI и код ABS и, в первую очередь, проведите поиск по устранению неисправностей.

Диагностический код неисправности (DTC)

  • В памяти могут хранится все коды DTC. Если в память заносится код неисправности, который уже был ранее записан в память, то он записывается на место старого кода. Таким образом, если одна и та же неисправность возникала неоднократно, то в памяти будет записан лишь один код неисправности.
  • Коды DTC загораются в порядке их появления.
  • Коды неисправностей DTC сохраняются в EEPROM. Таким образом, коды неисправностей не могут быть стерты из памяти при отключении аккумуляторной батареи. Для стирания кодов неисправностей, занесенных в память, следует произвести соответствующую процедуру.

Диагностический код неисправности (DTC)

  • В памяти могут хранится 10 кодов неисправностей. Если в память заносится код неисправности, который уже был ранее записан в память, то он записывается на место старого кода. Таким образом, если одна и та же неисправность возникала неоднократно, то в памяти будет записан лишь один код неисправности DTC.
  • Коды DTC загораются в порядке их появления.
  • Коды неисправностей DTC сохраняются в EEPROM. Таким образом, коды неисправностей не могут быть стерты из памяти при отключении аккумуляторной батареи. Для стирания кодов неисправностей, занесенных в память, следует произвести соответствующую процедуру.

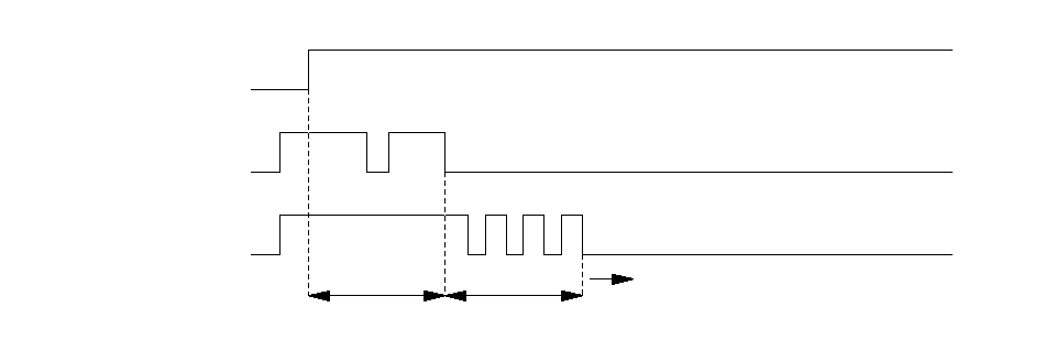
Вход в функцию самодиагностики

1. Нажмите и удерживайте нажатой кнопку SEL/RESET.
2. Включите освещение.
3. Включите зажигание, повернув ключ в положение «ON» (II).
4. В течение 5 секунд, выключите фары (OFF), затем включите (ON) и снова выключите (OFF).
5. В течение 5 секунд отпустите кнопку SEL/RESET, затем нажмите и отпустите кнопку три раза подряд.
  • Регулятор яркости освещения панели приборов во время режима автодиагностики работает нормально.
  • Во время режима автодиагностики кнопка SEL/RESET служит для запуска проверки цепи включения проверки Beeper Drive Circuit Test (звукового сигнализатора) и Gauge Drive Circuit Check (цепи приборов).
  • Функция автодиагностики выключается при превышении автомобилем скорости в 2 км/ч или при выключении зажигания.

OFFON(II)OFFONOFFONЗамок зажиганияВыключатель освещенияВыключательВЫБОР/СБРОС5 сек.Перейти к режиму самодиагностики.5 сек.

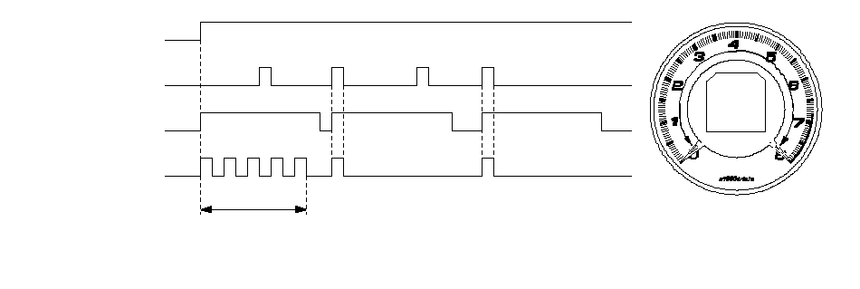
Проверка цепи включения приборов и указателей

ПРИМЕЧАНИЕ:После того как звуковой сигнализатор выключится, а стрелки указателей вернутся в минимальное положение, нажатием на кнопку SEL/RESET осуществляется включение режима диагностики цепи звукового сигнализатора (один сигнал звукового сигнализатора) и возврат к режиму диагностики указателей и приборов.Начало повторной проверки невозможно, пока стрелки приборов не возвратятся в минимальное положение.

OFFONOFFONOFFONOFFONСтрелки прибораЗвуковой сигнализатор5 сек.РежимсамодиагностикиВыключательВЫБОР/СБРОССтрелки качнутся отминимального положения домаксимального, затем вернутся в минимальное положение.

Индикаторы системы, выведенные на панель приборов

На панели управления размещены четыре индикатора:

  • Индикатор ABS (A)
  • Индикатор тормозной системы (В)
  • Индикатор VSA (C)
  • Индикатор включения VSA (D)

ABCD

Индикаторы ABS и VSA гаснут

  • DTC 61, 62, или 85:Индикаторы гаснут сразу после возвращения системы в работоспособное состояние.
  • Код неисправности DTC 11, 13, 15, 17, 21*, 22, 25, 26, 27, 31, 32, 33, 34, 35, 36, 37, 38, 45, 46, 47, 48, 54, 65, 66, 67, 68, 72, 73, 74, 75, 76, 81, 91, 92, 97**, или 98:Индикатор неисправности погаснет лишь после выключения зажигания независимо от того, была неисправность временной или нет.*: В некоторых случаях индикаторы продолжают гореть до тех пор, пока автомобиль не будет находиться в движении после возвращения системы в нормальное состояние.**: В некоторых случаях индикаторы выключаются автоматически, после возвращения системы в нормальное состояние.
  • Коды неисправностей 12, 14, 16, 18, 51, 52 или 53:Индикаторы продолжают гореть, пока автомобиль не будет находится в движении после возвращения системы в работоспособное состояние.

Как использовать систему HDS (диагностическую систему Honda)

1.

Если индикатор(-ы) продолжает(-ют) гореть, подсоедините диагностическую систему HDS к 16P разъему информационной связи (DLC) (A), расположенному под панелью управления со стороны водителя.

A

2. Включите зажигание, повернув ключ в положение «ON» (II).
3. Убедитесь, что система HDS соединена с автомобилем и с блоком управления-модулятора VSA. Если нет, осуществите поиск неисправностей в цепи DLC: Модель двигателя L13A7, модель двигателя R18A2.
4. Проверьте наличие диагностического кода неисправности (DTC) и при его наличии запишите его. Также проверьте данные бортовой функции snapshot и загрузите любые найденные данные. Затем обратитесь к кодам DTC и начните соответствующую процедуру по поиску неисправностей.ПРИМЕЧАНИЕ:
  • Соединение HDS будет прервано, если скорость автомобиля 50 км/ч или более.
  • Система HDS может считывать коды DTC, фиксированные данные и другие системные данные.
  • Для специальных операций см. меню помощи, которое прилагается к диагностической системе HDS.
Рейтинг
( Пока оценок нет )
Понравилась статья? Поделиться с друзьями:
Все про Honda
Добавить комментарий

;-) :| :x :twisted: :smile: :shock: :sad: :roll: :razz: :oops: :o :mrgreen: :lol: :idea: :grin: :evil: :cry: :cool: :arrow: :???: :?: :!: