Opel Vectra 1.9 CDTi 4дв. седан, 150 л.с, 6АКПП, 2005 – 2009 г.в. – причина ошибки P0340
P0340 – Ошибка датчика положения распределительного вала
Этот код обычно появляется при выходе из строя датчика распределительного вала, при проблеме с проводами, которые передают информацию компьютеру, при проблеме с разъемами. Также подобная ошибка может появиться при возникновении механических проблем с двигателем, при проблемах с блоком управления двигателем и т.п.
Причины ошибки (кода) P0340 :
-Короткое замыкание, коррозия или повреждение проводов датчика положения распределительного вала -Короткое замыкание, коррозия или повреждение соединителя датчика положения распределительного вала -Неисправность датчика положения распределительного вала -Неисправность датчика положения коленчатого вала -Неисправность PCM
Симптомы ошибки P0340
-Загорание индикатора Check Engine -Проблемы с запуском двигателя (автомобиль может заводиться с трудом или вовсе не заводиться) -Неровный холостой ход или заглохание двигателя -Пропуски зажигания в цилиндрах двигателя -Падение мощности двигателя
ПРИ КАКИХ УСЛОВИЯХ ДИАГНОСТИРУЕТСЯ ОШИБКА P0340
Важно: В зависимости от программного обеспечения электронного блока управления, приведенные ниже условия формирования ошибки P0340 могут варьироваться по некоторым параметрам. В большинстве ЭБУ заложено программным обеспечением формирование в памяти ошибки P0340 при следующих условиях: В течение 5 секунд вращения стартера от датчика распределительного вала не поступает информация; При частоте вращения от 500 оборотов в минуту на ЭБУ автомобиля на направляется информация от датчика распределительного вала
В зависимости от настроек электронного блока управления, формирование ошибки P0340 может происходить не за один, а за несколько циклов
Обратите внимание: Некоторые ЭБУ при отсутствии сигнала с датчика распределительного вала, пользуются информацией с датчика распределительного вала. Поэтому ошибка P0340 часто формируется одновременно с ошибками, которые сигнализируют на проблему с поступлением данных от датчика распределительного вала
Диагностика при возникновении ошибки (кода) P0340 :
-Считать все коды ошибок, сохраненные в памяти PCM, с помощью сканера OBD-II -Проверить провода датчика положения распределительного вала на предмет короткого замыкания, коррозии и наличия повреждений -Проверить соединитель датчика положения распределительного вала на предмет короткого замыкания, коррозии и наличия повреждений -Осмотрить датчик положения распределительного вала на наличие повреждений -Проверить целостность цепи датчика положения распределительного вала -Устранить все ошибки, которые сохранились в памяти PCM вместе с ошибкой P0340 -Проверить напряжение датчика положения распределительного вала, используя сканер или осциллограф -При необходимости, заменить датчик положения распределительного вала -Если с датчиком положения распределительного вала, а также соответствующими электрическими компонентами все в порядке, проблема может заключаться в неисправности PCM. В этом случае потребуется замена или перепрограммирование модуля
Ремонт при возникновении ошибки (кода) P0340 :
-Ремонт или замена проводов датчика положения распределительного вала -Ремонт или замена электрического соединителя датчика положения распределительного вала -Замена датчика положения распределительного вала -Замена датчика положения коленчатого вала -Устранение пропусков зажигания (при наличии) перед заменой датчика положения распределительного вала -Замена или перепрограммирование PCM
Ошибка p0340 не является критической ошибкой, и при ее формировании в памяти электронной системы управления двигателем машиной пользоваться можно. Однако это приводит к потере мощности двигателя, «плавающим» холостым оборотам, повышенному расходу топлива. Особенно это актуально для машин, оборудованным ГБО, и использующих в качестве топлива газ. Поэтому долго с такой ошибкой лучше не ездить, поскольку это доставит массу неудобств водителю. Соответственно, желательно как можно раньше провести диагностику и выполнить ремонтные работы, тем более что они несложные, и с ними справится большинство автолюбителей.
Расшифровка ошибок Opel ZAFIRA
Для любого автовладельца в общей массе диагностика и обслуживание своего автомобиля – процесс неприятный, так как требует затрат времени и финансовых вложений. Но современные автомобили стали умными, они оснащены системой самодиагностики, которая является встроенной функцией. С помощью данной системы выявляются неисправности, формируется код ошибки, который сохраняется в память автомобиля. Код может быть считан автовладельцем самостоятельно при наличии специального оборудования – ручного сканера. Он подсоединяется к компьютеру или ноутбуку, на котором должна быть установлена специализированная программа. В сервисе диагностировать теперь не обязательно. Считал код ошибки при помощи ручного прибора, осмотрел основные проблемы автомобиля и принял решение, как выходить из ситуации – своими силами либо с помощью СТО. Большинство закодированных ошибок систематизированы, с их расшифровкой, как правило, проблем не возникает. Неплохим подспорьем также являются форумы автомобилистов, которых много на просторах интернета.
Автосканеров в продаже большой выбор. Имеются как бюджетные, так и дорогостоящие модели. Цена зависит от функционала и сопутствующих дополнительных элементов. Рядовому автомобилисту вполне достаточно самого простого сканера, профессиональный приобретать ни к чему. Такие модели нужны профессионалам, так как ежедневно в СТО возникает необходимость в сложном компьютерном сканировании.
По стандарту OBDII все комбинации должны состоять из 5-ти символов.
Первый символ, указанный перед кодом, поможет определить категорию ошибки:
- В — неисправность «кузовных» элементов (системы управления стеклоподъемниками, переключательными устройствами, безопасности, центральным замком и т. д.);
- С — неполадки в работе подвески и ходовой составляющей;
- Р — неисправности модуля управления мотором, трансмиссией, датчиков и электрических цепей;
- U — ошибки в функционировании электронных модулей (управления системой парковки, цифровых интерфейсов).
Второй символ в комбинации обозначает класс неисправности:
- 0 — общий символ для всех OBD-2 кодов;
- 1 и 2 — категория ошибки;
- 3 — резервный символ.
Третья цифра свидетельствует о типе проблемы:
- 1 и 2 — неисправности в системе впрыска и подачи горючего;
- 3 — неполадки в работе системы зажигания;
- 4 — ошибки в функционировании вспомогательных узлов и механизмов (каталитических нейтрализаторов или улавливания паров горючего);
- 5 — неисправности контроллеров холостых оборотов и других датчиков;
- 6 — неполадки в функционировании электрической и электронной составляющей авто;
- 7 и 8 — ошибки в работе модуля управления коробкой передач;
- 9 и 0 — резерв.
Четвертый и пятый – число, соответствующее порядковому номеру неисправности.
Неисправность может выводиться и в других форматах, на это влияет:
- тип оборудования, использующегося для диагностики;
- версия программного обеспечения тестера;
- версия утилиты на компьютере;
- метод проверки — самодиагностика, компьютером или тестером.
8.10 Проверка состояния и замена датчика положения распределительного вала (СМР)
Грешен, ох грешен Симтек своей проводкой. Хотя проверка датчика распредвала опель вектра б срок она выхаживает и в других местах особо не отказывает, но даже если сравнить со старым Мультеком, или Мотроником, то становится ясно, что фигово в Германии с металлом, экономия налицо — проводочки тонкие и хлипкие до смешного. ЭТО уже никогда не будет работать, здесь метод лечения один — замена фрагмента проводки, вместе с разъемом, чтобы не плодить лишние скрутки.
Кстати скруток бояться не надо, хорошая, нормально изолированная скрутка будет жить долго и проблем не доставит.
Итак, наша задача заменить этот фрагмент. Первое, что нам нужно — это сам разъем, в идеале с кусками проводов около 30см. Без проблем подходят многие разъемы от нашемарок, например разъем трамблера отили разъем датчика дроссельной заслонки от ГАЗ Толщина проводов только плюс: Открываем разъем форсуночного ряда, вычисляем отдельно идущий жгут ДПРВ, вытаскиваем его, ведем почти до передней панели проверка датчика распредвала опель вектра б там его откусываем, оставив небольшой кусок для соединения с новым разъемом.
Нужно включить прибор подальше от размагничиваемого объекта, медленно поднести и медленно водить по кругу возле объекта несколько минут, потом так же медленно убрать подальше проверка датчика распредвала опель вектра б выключить.
У меня под рукой нашлась старая электродрель. Датчик я предварительно снял и убрал подальше.
Отказал датчик положения распредвала в Опель Вектра Б
После нескольких минут танцев с бубном, то есть с дрелью, иголка перестала прилипать к валу. Я не понял, звездочка должна быть намогничена изначально или же она намогничивается в процессе эксплуатации и эту намогниченность надо убирать? Должна иметь место следующая картина: Данная проверка подтверждает исправность регистрации сигнала При выключенном зажигании подключите вольтметр к клемме зелено-желтого провода.

Включите зажигание и начинайте медленно вращать вал распределителя. На этот раз должны иметь место регулярные 5-вольтные скачки напряжения с частотой шт.
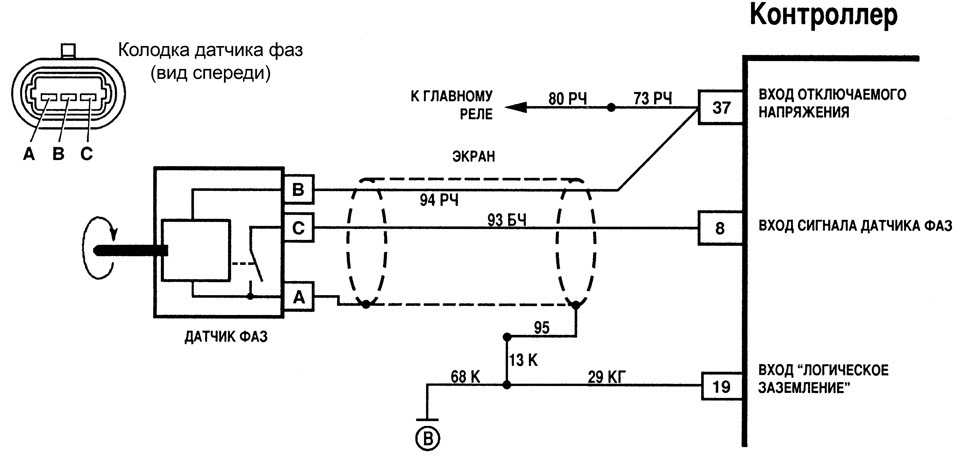
ДПРВ находится возле 1 форсунки. На нём фишка с 3 контактами. Проверяем так: Берём пару иголок, булавок и мультимметр ММ режим замера постоянного напряжения в Вольтах.
Включаем зажигание. Черный провод ММ на массу авто, красный на контакт 1 — напряжение должно проверка датчика распредвала опель вектра б от 0 до 0,5В у меня 0,01Вна 2 контакте 4,5 — 5,5В у меня 5Вна 3 — 4,99В.
Между контактами 1 и 3 должно быть: Следующая проверка на индуктивность: Он играет чуть ли ни ключевую роль, при работающем датчике и косе.

Zoom В этом месте шестерня проходит у датчика и дает сигнал. Сделайте положенный зазор 0,мм и ошибка прощай!
Я дня три радовался нормальной работе а потом опять чек, и именно на прогретом авто!









































