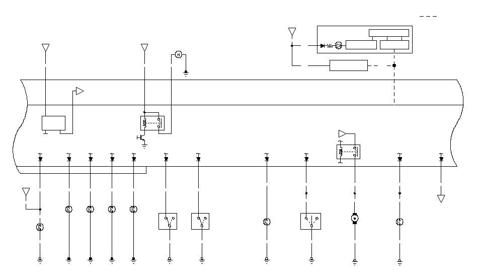
Электрическая схема системы электрических замков дверей с дистанционным управлением/системы охранной сигнализации — с механизмом суперблокировки
С функцией суперблокировки
(Гнездо блока предохранителей/реле)1510G501G501G5027T22LT BLUBLKКЛЮЧЗАКРЫТЬ22BLKT27GRY1816T28BLUЗАКРЫТЬЗАКРЫТЬКЛЮЧMICUWHT(Гнездо блока предохранителей/реле)№ 25 (20 A)WHTIG1№ 16 (15 A)T24LT GRN9БЛОК РЕЛЕ/ПРЕДОХРАНИТЕЛЕЙ ПОД ПАНЕЛЬЮ ПРИБОРОВБЛОК РЕЛЕ/ПРЕДОХРАНИТЕЛЕЙ ПОД ПАНЕЛЬЮ ПРИБОРОВ(Гнездо блока предохранителей/реле)WHTT238ЗАКРЫТЬPNKT3267BRNT31№ 10 (7,5 A)YELЗАМОК ЗАЖИГАНИЯIG1BATBLUWHT№ 6 (P/W) (40 A)АККУМУЛЯТОРНАЯ БАТАРЕЯ№ 1 (BAT) *№ 2 (IG) (50 A)БЛОК РЕЛЕ/ПРЕДОХРАНИТЕЛЕЙ МОТОРНОГО ОТСЕКАОТПИРАНИЕОТПИРАНИЕОТПИРАНИЕЗАМОК ДВЕРИ ВОДИТЕЛЯВЫКЛЮЧАТЕЛЬ ЦИЛИНДРА ЗАМКА ДВЕРИ ВОДИТЕЛЯКНОПКА БЛОКИРОВКИ ЗАМКА ДВЕРИ ВОДИТЕЛЯКНОПКА БЛОКИРОВКИ ДВЕРИКНОПКА БЛОКИРОВКИ ДВЕРИВЫКЛЮЧАТЕЛЬ КНОПКИ БЛОКИРОВКИ ЗАМКА ДВЕРИ ПАССАЖИРА СПЕРЕДИОТПИРАНИЕПОДСВЕТКА (LED)BLK(80 A): Двигатель L13A7(100 A): Двигатель R18A2*(Гнездо блока предохранителей/реле)БЛОК РЕЛЕ/ПРЕДОХРАНИТЕЛЕЙ ПОД ПАНЕЛЬЮ ПРИБОРОВMICUОТКРЫТЬЗАКРЫТЬAYEL4BLU3N131BLU2M8YELN72134YELE14BLUE31E21M10BLUBLUBLUYELG401BLKF20BLKG651G652BLKBLKG503E33E6T34SGPGРАЗБЛОКИРОВАТЬ (DR)ИСПОЛНИТЕЛЬНЫЙ МЕХАНИЗМ БЛОКИРОВКИ ЗАМКА ДВЕРИ ВОДИТЕЛЯИСПОЛНИТЕЛЬНЫЙМЕХАНИЗМ БЛОКИРОВКИ ЗАМКА ДВЕРИ ПЕРЕДНЕГО ПАССАЖИРАПРИВОД ЗАМКА ЛЕВОЙ ЗАДНЕЙ ДВЕРИПРИВОД ЗАМКА ПРАВОЙ ЗАДНЕЙ ДВЕРИ
С функцией суперблокировки
PNKG6G7G16ЗВУКОВОЙ СИГНАЛ ОХРАННОЙ СИГНАЛИЗАЦИИT26LT BLUG652BLK81057BLKG602GRYT25E2GRYE17BRNE3LT GRNGRNE37G403BLK21PNKR6PNKBLUWHTBLUMICUПРЕДОХРАНИТЕЛЬ № 22 (10 A)(БЛОК РЕЛЕ И ПРЕДОХРАНИТЕЛЕЙ МОТОРНОГО ОТСЕКА)ПРАВЫЙ/ЛЕВЫЙ УКАЗАТЕЛИ ПОВОРОТАБЛОК РЕЛЕ/ПРЕДОХРАНИТЕЛЕЙ ПОД ПАНЕЛЬЮ ПРИБОРОВПРЕДОХРАНИТЕЛЬ № 21 (15 A)(БЛОК РЕЛЕ И ПРЕДОХРАНИТЕЛЕЙ МОТОРНОГО ОТСЕКА)БЛОК ДИСТАНЦИОННОГО УПРАВЛЕНИЯ-ИММОБИЛАЙЗЕРДАТЧИК ЗАМКА ЗАЖИГАНИЯ (Замкнут : ключ вставлен)ОТПИРАНИЕВЫКЛЮЧАТЕЛЬ КНОПКИ БЛОКИРОВКИ ЗАМКА ЛЕВОЙ ЗАДНЕЙ ДВЕРИВЫКЛЮЧАТЕЛЬ КНОПКИ БЛОКИРОВКИ ЗАМКА ПРАВОЙ ЗАДНЕЙ ДВЕРИОТПИРАНИЕЭЛЕКТРИЧЕСКАЯ СХЕМА УКАЗАТЕЛЕЙ ПОВОРОТА/АВАРИЙНОГО СИГНАЛАДАТЧИК ОТКРЫТОЙ ДВЕРИ ВОДИТЕЛЯ (Замкнут: дверь открыта)ДАТЧИК ОТКРЫТОЙ ДВЕРИ ПЕРЕДНЕГО ПАССАЖИРА (Замкнут: дверь открыта)ВЫКЛЮЧАТЕЛЬ ЗАМКА ПРАВОЙ ЗАДНЕЙ ДВЕРИ (Замкнут: Дверь открыта)ВЫКЛЮЧАТЕЛЬ ЗАМКА ЛЕВОЙ ЗАДНЕЙ ДВЕРИ (Замкнут: Дверь открыта)18МОДУЛЬ УПРАВЛЕНИЯ ПРИБОРАМИ (ТАХОМЕТР)1WHTWHT1WHT4PNKОСНОВНАЯ ЭЛЕКТРИЧЕСКАЯ ЦЕПЬPNKBLKАУДИОСИСТЕМА··БЛОК РЕЛЕ/ПРЕДОХРАНИТЕЛЕЙ ПОД ПАНЕЛЬЮ ПРИБОРОВQ621B-CANPNKQ4GRNE36BLUG652BLK12BLK1BLKG651G652BLKLT BLUE1323G13BLKG40121GRNGRNE202AMICUВЫКЛЮЧАТЕЛЬ КАПОТА (Замкнут: капот открыт)ДАТЧИК ДВЕРИБАГАЖНОГО ОТДЕЛЕНИЯПЕРЕКЛЮЧАТЕЛЬЗАМКА ДВЕРИ БАГАЖНОГО ОТДЕЛЕНИЯДАТЧИК ЗАМКА ДВЕРИ БАГАЖНОГО ОТДЕЛЕНИЯ (Замкнут: Дверь багажного отделения открыта)Навигационный дисплейОТПИРАНИЕИндикатор системы безопасности (LED)ПРИЕМОПЕРЕДАТЧИК В-CAN ЦЕПЬ ПРЕРЫВАНИЙ ИНДИКАТОРА СИСТЕМЫ БЕЗОПАСНОСТИПРИЕМНОЕ УСТРОЙСТВО СИСТЕМЫ ДИСТАНЦИОННОГО УПРАВЛЕНИЯ (встроено в иммобилайзер- блок дистанционного управления)ПРЕДОХРАНИТЕЛЬ № 16 (15 A) (БЛОКА РЕЛЕ И ПРЕДОХРАНИТЕЛЕЙ МОТОРНОГО ОТСЕКА)BLK: Линия связи
